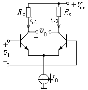
1.差分特性分析(双曲正切函数分析) 令υ1=V1mcosω1t,υ2=V2mcosω2t
|
|
频谱分量ω1±ω2,所以它是三极管相乘器的基础。 2)若26mV< V1m<260mV | |
其中含频谱分量ω1+ω2 ,3ω1+ω2 ,……,
3)若V1m≥ 260mv
| |
ic频谱分量ω1+ω2 ,3ω1+ω2 ,……
| |
1.差分特性分析(双曲正切函数分析) 令υ1=V1mcosω1t,υ2=V2mcosω2t
|
|
频谱分量ω1±ω2,所以它是三极管相乘器的基础。 2)若26mV< V1m<260mV | |
其中含频谱分量ω1+ω2 ,3ω1+ω2 ,……,
3)若V1m≥ 260mv
| |
ic频谱分量ω1+ω2 ,3ω1+ω2 ,……
| |
网友评论