• [组图]《电路理论》实验二 基尔霍夫定律与叠加原理

    一.实验目的1. 验证基尔霍夫定律的正确性,加深对基尔霍夫定律的理解。2.学会用电流插头、插座测量各支路电流的方法。3.验证叠加原理的...

       2006-12-15

  • [组图]《电路理论》实验四 单项正弦交流电路的分析

    一.实验目的1. 研究正弦稳态交流电路中电压、电流相量之间的关系。2. 掌握日光灯线路的接线。3. 理解改善电路功率因数的意义并掌握其方法。二、实验设备序号名称型号与规格数量备注1交流电压表 1D332交流电流表 1D323功率表...

       2006-12-15

  • [图文]《电路理论》实验三 戴维南定理

    一.实验目的1. 验证戴维南定理的正确性,加深对该定理的理解。2. 掌握测量有源二端网络等效参数的一般方法。二.实验设备序号名称型号与规格数量备注1可调直流稳压电源 1DG04-12可调直流恒压源 1DG04-13直流数字电压表 ...

       2006-12-15

  • [图文]《电路理论》实验五 交流电路中的互感

    一.实验目的1.观察互感现象,分析互感与哪些因素有关。2.学习测量两线圈间耦合系数,同名端和互感系数。二.预习要求互感:教材(上册)P359-P3...

       2006-12-15

  • [图文]《电路理论》实验六 R﹑L﹑C串联谐振电路的研究

    一﹑实验目的1.学习用实验方法绘制R﹑L﹑C串联电路的幅频特性曲线。2.加深理解电路发生谐振的条件﹑特点﹑掌握电路品质因数(电路Q值)的物理意义及其测定方法。二﹑实验设备序号名称型号与规格数量备注1低频信号发生器 1DG032交流毫伏表 1&...

       2006-12-15

  • [图文]《电路理论》实验八 三相上电路功率的测量

    一. 实验目的 1. 学习用三瓦计法测量三相电路 的有功功率。 2. 了解星形负载对称与不对称功率的测量方法。 二. 预习要求 三相电路的功率,教材上册P393-396 三. 实验任务与方法 负载Y接,三相对称...

       2006-12-15

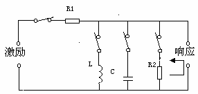
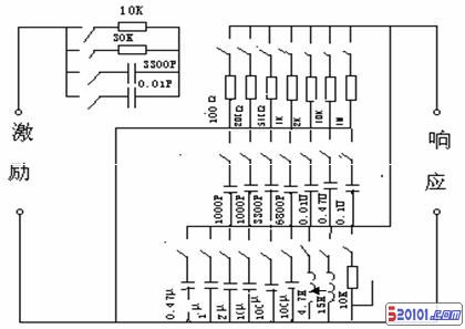
  • [组图]《电路理论》实验九 一阶电路的响应测试

    一.实验目的1.测定RC一阶电路的零输入响应,零状态响应及完全响应。2.&...

       2006-12-15

  • [组图]《电路理论》实验七 三相正弦交流电路的分析

    一、实验目的1. 掌握三相负载作星形联接、三角形联接的方法,验证这两种接法线、相电压、线、相电流之间的关系。2. 充分理解三相四线供电系统中中线的作用。二、实验设备序号名称型号与规格数量备注1交流电压表 DG01B2交流电流表 1DG01B3万用表&n...

       2006-12-15

  • [图文]《电路理论》实验十 二阶动态电路响应的研究

    一.实验目的1.学习用实验的方法来研究二阶动态电路的响应,了解电路元件参数对响应的影响。2.&nb...

       2006-12-15

  • [组图]《电路理论》实验十一 运算放大器和受控源

    一、实验目的1.了解运算放大器基本特性及其分析方法。2.了解用运算放大器组成四类受控源的线路原理。3.测试受控源的转移特性及负载特性。二、实验设备序号名称型号与规格数量备注1可调直流稳压源0~30V1DG042可调恒流源0~200m A1DG043直流数字电压表&n...

       2006-12-15

  • [图文]《电路理论》实验十二 双口网络测试

    一、实验目的1. 加深理解双口网络的基本理论。2. 掌握直流双口网络传输参数的测量技术。二、&nb...

       2006-12-15

  • [图文]《电路理论》实验十三 回 转 

    一、实验目的1.了解回转器的特性2.学习回转器的测试方法二、原理说明1.回转器是一种无源且非互易的二端口元件,它的电路符号如图案13-1。理想回转器的电流,电压关系用下列方程来表示:U1=-R2...

       2006-12-15

  • [组图]《电路理论》实验十六 PSPICE的应用Ⅰ

    例一、在图16-1所示电路中,当电阻Rl的阻值以10Ω为间隔,从1Ω线性增大到1KΩ时,分析电阻Rl上的电压变化情况。1. 目的:通过本例的介绍,将详细说明如何运用PSpice软件绘制电路图,初步掌握符号参数、分析类型的设置,并会从Probe窗口看输出结果。2. 开始模拟电路之前,必须先用...

       2006-12-15

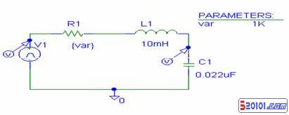
  • [组图]《电路理论》实验十七 PSPICE的应用Ⅱ

    例三:二阶电路的仿真:观察RLC串联电路的方波响应,其中f=1KHz,R=5KΩ,L=10mH,C=0.022uF。改变电阻R值,观察电路在欠阻尼、过阻尼和临界阻尼时Uc波形的变化。目的:进一步学习在PSpice仿真软件中绘制电路图,掌握激励符号的参数配置、分析类型的设置。深入理解Prob...

       2006-12-15

  • [组图]用电子电路实现通讯继电器的电器特性测试

    1 引 言 在现代小型通讯继电器行业中,对继电器检测手段的要求不断提高。检测继电器的各项性能指标是保证产品质量的重要手段,也是产品合格的重要依据。因此,能快速、准确地测定继电器的各项性能指标成为提高继电器产量和质量的关键。传统上采用人工分立式仪表检测,不仅速度慢,而且人为误差大...

       2006-12-15

  • 什么是电子防盗报警系统

    大部分人对防盗报警系统的第一反应,就是防盗门、防盗网或是电网之类的设施。我们现在要谈的电子防盗报警系统是一个完全不同的概念,它是在各类住宅及公共建筑物内,利用现代电子探测技术,对可能发生的抢劫、非法入侵、火灾、医疗急救等等紧急情况,能够自动引起现场报警,用于预防入侵、阻止犯罪,并将警情自动...

       2006-12-15

  • 电平转换

    在数字电路中,由于TTL电路、CMOS电路、ECL电路等,它们的逻辑电平不同,当这些电路相互联接时,一定要进行电平转换,使各电路都工作在各自允许的电压工作范围内。...

       2006-12-15

  • 等离子体显示技术

    等离子体显示器又称电浆显示器,是继CRT(阴极射线管)、LCD(液晶显示器)后的最新一代显示器,其特点是厚度极薄,分辨率佳。可以当家中的壁挂电视使用,占用极少的空间,代表了未来显示器的发展趋势(不过对于现在中国大多数的家庭来说,那还是一种奢侈品)。等离...

       2006-12-15

  • 用微变等效电路法分析放大电路

    用微变等效电路分析法分析放大电路的关键在于正确地画出放大电路的微变等效电路。具体方法是:首先画出放大电路的交流通路,然后用晶体管的简化h参数等效电路代替晶体管,并标明电压、电流的参考方向。应用微...

       2006-12-15

  • 合格的电子工程师需要掌握的知识和技能

    尽管各行业所要求的必须的硬件知识不尽相同,但愚以为,掌握了一下的硬件和软件知识,基本上就可以成为一个合格的电子工程师: 一、 数字信号 1、 TTL和带缓冲的TTL信号 2、 RS232和定义 3、 RS485/422(平衡信号) 4、 干接点信号 二、 模拟信号视频 1...

       2006-12-15